티스토리 뷰
반응형
아두이노 나노 새제품 4종이 몇 달 전 출시됐다. 각 제품의 스펙과 회로도를 확인해보자.
- Arduino Nano 33 BLE Sense (w/ headers)
- Arduino Nano 33 BLE (w/ headers)
- Arduino Nano 33 IoT (w/ headers)
- Arduino Nano Every (w/ headers)
1. Arduino Nano Every
과거 아두이노 나노 제품과 가장 비슷한 제품이라 별 특이점은 없다. 달라졌다면 헤더가 있는 버전과 없는 버전 두 가지. 기존에는 헤더가 기본적으로 달려있었는데, 헤더가 없는 제품이 나온 이유는 이 보드를 적용할 보드에 SMT 실장할 수 있게 만들어주기 위해서이다.


-
MPU : ATmeag4809 (20㎒, Flash 48KB, SRAM 6KB, EEPROM 256B)
-
USB to UART IF, UPDI(Unified Program and Debug Interface) : ATSAMD11D14A processor
-
30pin header

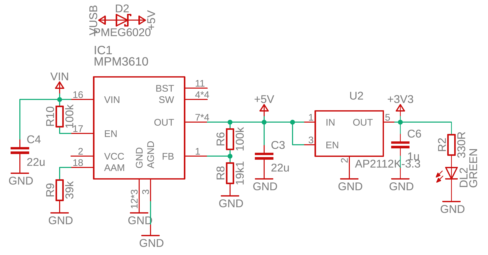
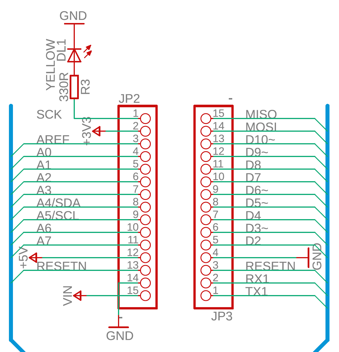
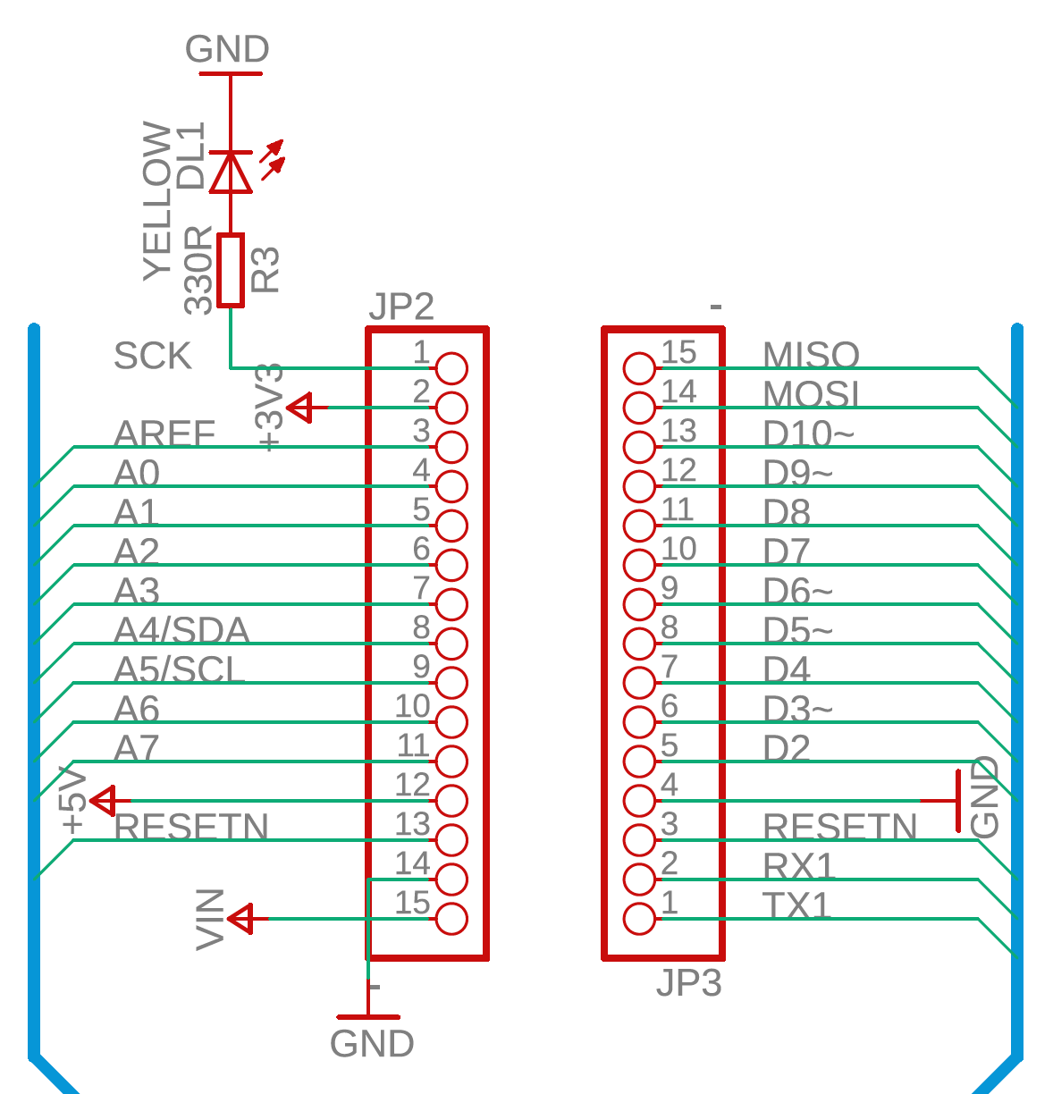
- 회로도

전원부 : 외부전원 VIN을 5V로 변환해주는 DC-DC인 MPM3610. 인덕터가 칩 내부에 포함되어 있어 IC 크기는 크지만 외부 소자가 간단하다. 이 5V를 3.3V로 변환해주는 LDO인 AP2112K-3.3. USB 커넥터를 통해 HOST에서 전달되는 VBUS 전원도 5V와 연결된다.
5V는 ATmeag4809 전원으로, 3.3V는 ATSAMD11D14A 전원으로 사용한다.

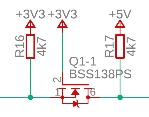
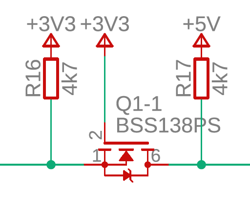
3.3V를 사용하는 IO와 5V를 사용하는 IO를 연결하기 위해 nChannel FET를 사용했다.

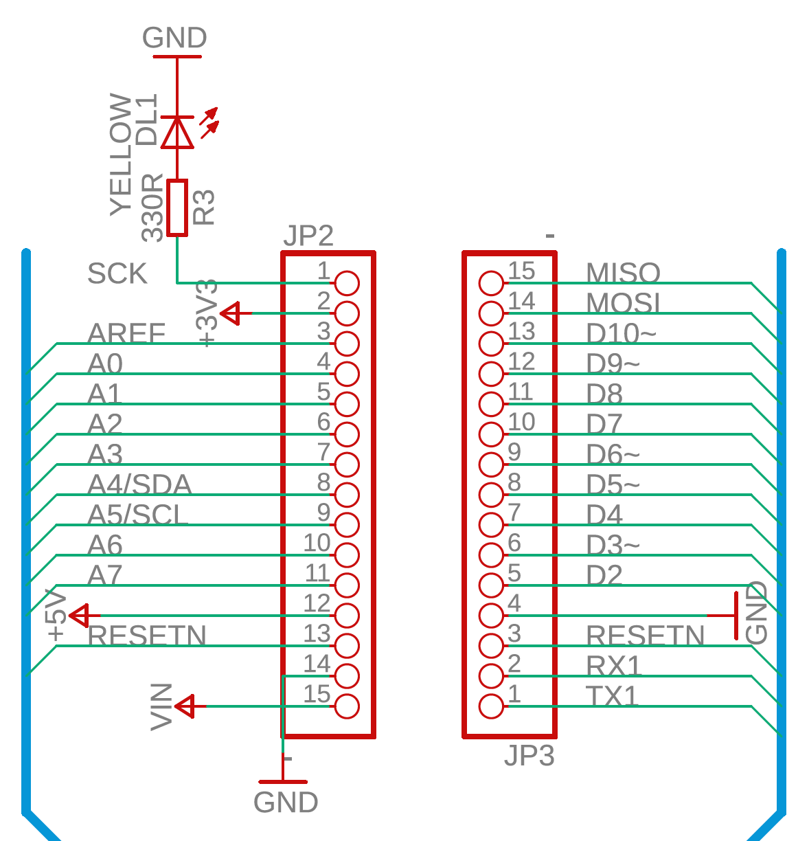
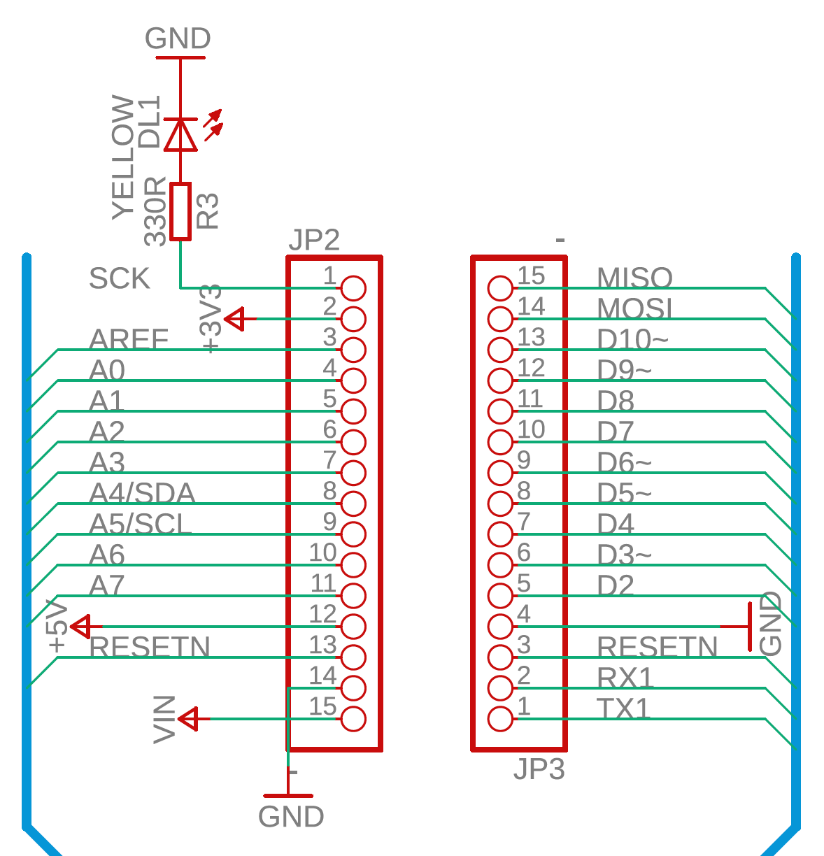
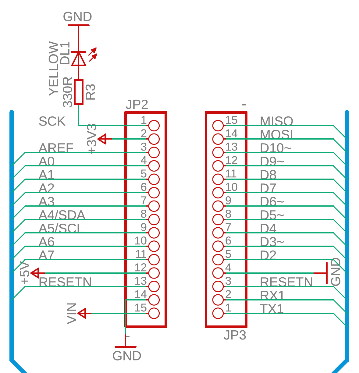
외부 회로와 연결하는 헤더핀의 물리적 순서를 참고하자.
반응형
'Digital Developer' 카테고리의 다른 글
| MATLAB Training Course Brochure (0) | 2019.10.03 |
|---|---|
| 아두이노 나노 Arduino Nano 33 IOT (0) | 2019.09.28 |
| DC-DC 종류 (0) | 2019.08.24 |
| B-L475E-IOT01A1 (0) | 2019.07.13 |
| macOS에서 깨져 보이는 자막 수정 (0) | 2017.05.01 |
댓글
